|
|
|

地址:鎮江市新區大港鳳棲路18號
電話:0511-88825030 88825033
傳真:0511-88825276
郵編:212132
信箱:sales@zjjinhuang.com
網址:m.sjzwsjz.com |
|
|
|
|
| SMA(附SMA發極性)射頻同軸連接器 |
|
|
|
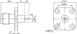
型 號 |
A |
B |
C |
SMA-KFD8 |
15.2 |
3.1 |
0.8 |
SMA-KFD8A |
14.9 |
2.8 |
0.8 |
SMA-KFD44 |
15.2 |
3.1 |
0.6 |
|
|
|
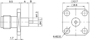
型 號 |
A |
B |
C |
SMA-KFD-4 |
4.5 |
2 |
. |
SMA-KFD-10 |
4.5 |
2.6 |
. |
SMA-KFD-19 |
15 |
2.9 |
. |
SMA-KFD-36 |
6 |
2 |
. |
SMA-KFD-37 |
6 |
8 |
. |
SMA-KFD-38 |
6 |
13 |
. |
SMA-KFD-39 |
6 |
10 |
. |
SMA-KFD6 |
9 |
2 |
. |
SMA-KFD3-A |
15 |
3 |
. |
SMA-KFD22 |
15 |
3 |
. |
SMA-KFD25 |
8 |
4 |
. |
SMA-KFD43 |
4 |
8 |
. |
|
|
|
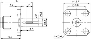
型 號 |
A |
B |
C |
SMA-KFD9 |
14.5 |
2.4 |
. |
SMA-KFD10 |
15.3 |
3.2 |
. |
SMA-KFD11 |
16.9 |
4.8 |
. |
SMA-KFD12 |
16.1 |
4 |
. |
|
|
|
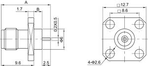
型 號 |
A |
B |
C |
SMA-KFD13 |
4 |
2.5 |
0.2×0.5 |
SMA-KFD14 |
3.2 |
2.5 |
0.2×0.5 |
SMA-KFD233 |
2.5 |
2.5 |
0.2×1.3 |
SMA-KFD253 |
3.2 |
3 |
0.2×1.27 |
SMA-KFD256 |
6 |
2.5 |
0.3×1.27 |
|
|
|
【01】【02】【03】【04】【05】【06】【07】【08】【09】【10】【11】【12】【13】【14】【15】【16】
【17】【18】【19】【20】【21】【22】【23】【24】【25】 |
|
|
|